
.jpg)
Explore the LJB0669B 6.4mm audio jack, a pinnacle of audio engineering by Lih Sheng Precision, a distinguished name among audio jacks manufacturers and suppliers. This 1/4-inch jack, with a diameter of 6.4 millimeters, offers high-quality stereo sound, making it the ideal choice for recording studios, live music performances, and diverse professional audio applications. Crafted for longevity and top-tier performance, the LJB0669B ensures reliable connections across musical instruments, audio amplifiers, and more. Its professional-grade features, from exceptional audio quality to robust durability, cater to both music enthusiasts and professionals. Choose the LJB0669B for unparalleled sound experiences. Download product drawings for a closer look at precision engineering.
The 6.4mm audio jack, also known as the 1/4-inch audio jack, is a prominent connector found in professional audio equipment. With a diameter of 6.4 millimeters, it supports high-quality stereo sound output, making it particularly suitable for recording studios and live music performances. Robust and durable, it's widely used in musical instruments, audio amplifiers, and more. Whether you're a musician or a sound engineer, the 6.4mm jack delivers exceptional audio quality. Despite the advancements in wireless technology, the 6.4mm jack remains the preferred choice for professional audio setups, offering reliable connections and outstanding performance.
In summary, the 6.4mm audio jack, also known as the 1/4-inch jack, is a substantial connector in professional audio equipment. With its ability to deliver top-notch sound quality and resilience, it's an integral component for musicians and sound engineers alike.
1. Professional Audio Quality : The 6.4mm audio jack delivers high-quality sound output, catering to both music enthusiasts and professionals seeking exceptional audio experiences.
2. Stereo Sound : Supporting stereo sound through the 6.4mm jack enhances music and audio with richer, lifelike tones.
3. Specialized Applications : Widely employed in recording studios, live music performances, and professional audio setups, it meets the demands of professionals for top-tier sound performance.
4. Robust Durability : Designed for longevity, the 6.4mm jack withstands prolonged and intensive use without compromising on performance.
5. Versatile Connectivity : The jack finds application in various devices including musical instruments, audio amplifiers, ensuring reliable connections for diverse applications.
6. Professional-Grade Performance : From music production in studios to live stage performances, the 6.4mm jack consistently delivers professional-level audio output.
7. Backup Option : Even in situations where wireless options are limited, the 6.4mm jack serves as a dependable connection, assuring quality sound.
Packaged Using Vacuum-Formed Tray.
1. Music Production : The 6.4mm audio jack finds extensive use in recording studios, connecting musical instruments like guitars, keyboards, and synthesizers to audio interfaces and mixing consoles, enabling professional music production.
2. Live Performances : Musicians and bands rely on the 6.4mm jack to connect instruments to amplifiers and sound systems during live concerts, ensuring clear and powerful sound projection to the audience.
3. DJ Setups : DJs use the 6.4mm jack to connect turntables and controllers to mixers and speakers, facilitating seamless transitions between tracks and creating vibrant music experiences.
4. Audio Amplifiers : The jack is integral to audio amplifiers, allowing users to connect microphones, instruments, and other audio sources for amplification, enhancing sound quality in venues like auditoriums and theaters.
5. Studio Monitoring : Audio professionals use the 6.4mm jack to connect headphones and studio monitors, ensuring accurate monitoring and precise audio mixing during recording and production.
6. Musical Instruments : Many musical instruments, including electric guitars, electric pianos, and synthesizers, come equipped with 6.4mm outputs, enabling direct connection to amplifiers or audio interfaces.
7. Home Audio Systems : Enthusiasts can connect their instruments, media players, or computers to home audio systems through the 6.4mm jack, enjoying high-quality sound reproduction.
8. Professional Audio Equipment : The 6.4mm jack is a staple in various professional audio equipment, such as mixers, preamps, and processors, ensuring reliable connections in studio and live setups.
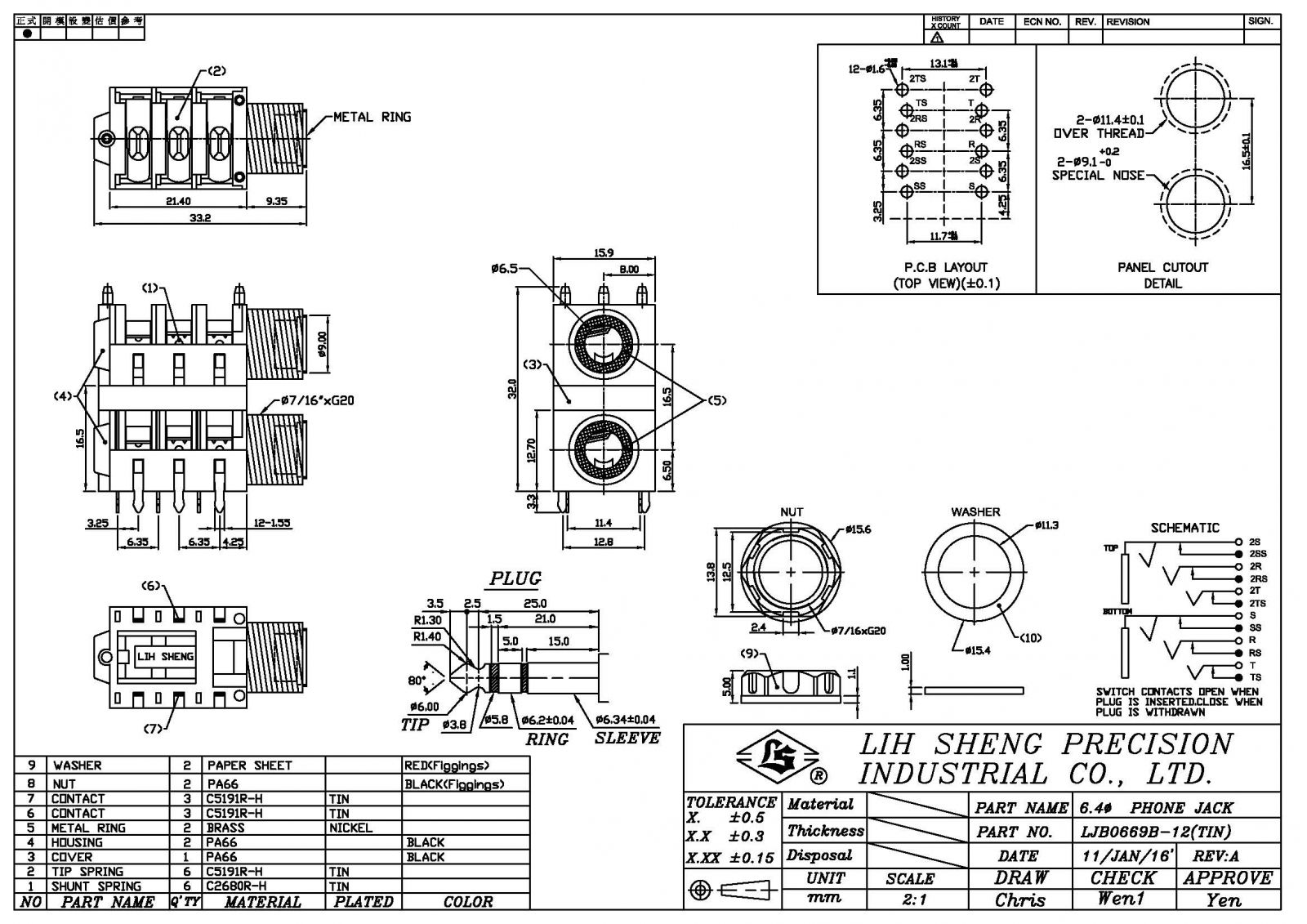
Product drawings: LJB0669B
